JH011-1/2 射出導引銷


| M材質 MATERIAL | 硬度 HARDNESS |
|---|---|
| 1.2343 | HRC50°~56° |
| 型號/Type | 尺寸/dimension | |||||||||
| t | d4 | d | I5 | I4 | I3 | I2 | I1 | S1 | b3 | |
| JHN09/30 | 5 | 4 | M10 | 16.5 | 4.5 | 20 | 11.5 | 10.5 | 36 | 30 |
| JHN09/42 | 7 | 5 | 18.5 | 5.5 | 15.5 | 14.5 | 46 | 42 | ||
| JHN09/54 | 8 | 6 | M12 | 20.5 | 7.5 | 25 | 18.5 | 17.5 | 56 | 54 |
| JHN09/80 | 11 | 8 | M16 | 25.5 | 30 | 28.5 | 27.5 | 76 | 80 | |

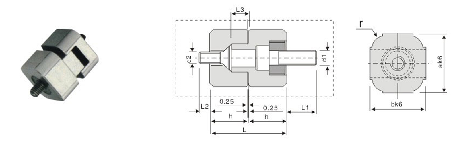
| 材質 Material | 硬度 Hardness |
|---|---|
| 1.2343 | HRC50°~56° |
| 型號/Type | 尺寸/dimension | |||||||||
| r | d1 | d2 | I1 | I2 | I3 | I | h | a | b | |
| JHN10/20x20 | 4 | M5 | M4 | 12 | 4 | 3.5 | 28 | 14 | 20 | 20 |
| JHN10/25x25 | 5 | M6 | M5 | 13 | 8 | 5.5 | 32 | 16 | 25 | 25 |
| JHN10/32x32 | 6 | M8 | M6 | 15 | 12 | 7.5 | 36 | 18 | 32 | 32 |
| JHN10/40x40 | M10 | M8 | 17 | 10 | 9.5 | 45 | 22.5 | 40 | 40 | |
訂購:85-圓型定位鎖 JHN09