

| Material 材質 | Hardness 硬度 |
|---|---|
| 1.2842 | HRC58°±2° |
| Type | 尺寸/Dimension | 荷重/load(kgf) | ||||||||||||
| D1 | B1 | B2 | B3 | t1 | t2 | t3 | t4 | D2 | D3 | D4 | R | P1 | P2 | |
| JHN29 | 13 | 6.6 | 1.4 | 4.3 | 10 | 1.0 | 1.6 | 0.35 | 7 | 2.2 | M3 | 0.35 | 2.8 | 3.4 |
| 18 | 9.6 | 2.0 | 6.0 | 14 | 1.8 | 2.0 | 0.50 | 10 | 3.2 | M4 | 0.5 | 3.8 | 4.2 | |
| 27 | 14.4 | 3.0 | 9.0 | 21 | 2.8 | 3.0 | 0.50 | 15 | 4.3 | M5 | 0.75 | 9.2 | ||

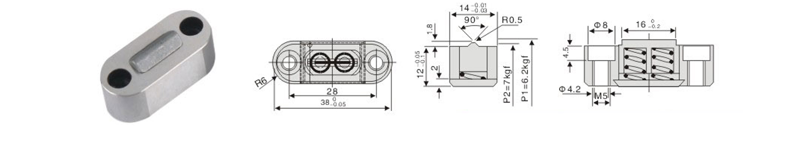
| 荷重 /load P1(kgf) | 荷重 /load P2(kgf) |
|---|---|
| 6.2 | 7.0 |
| Material 材質 | Hardness 硬度 |
|---|---|
| 1.2343 | HRC54°±2° |

| 荷重 /load P1(kgf) | 荷重 /load P2(kgf) |
|---|---|
| 11.4 | 12.6 |

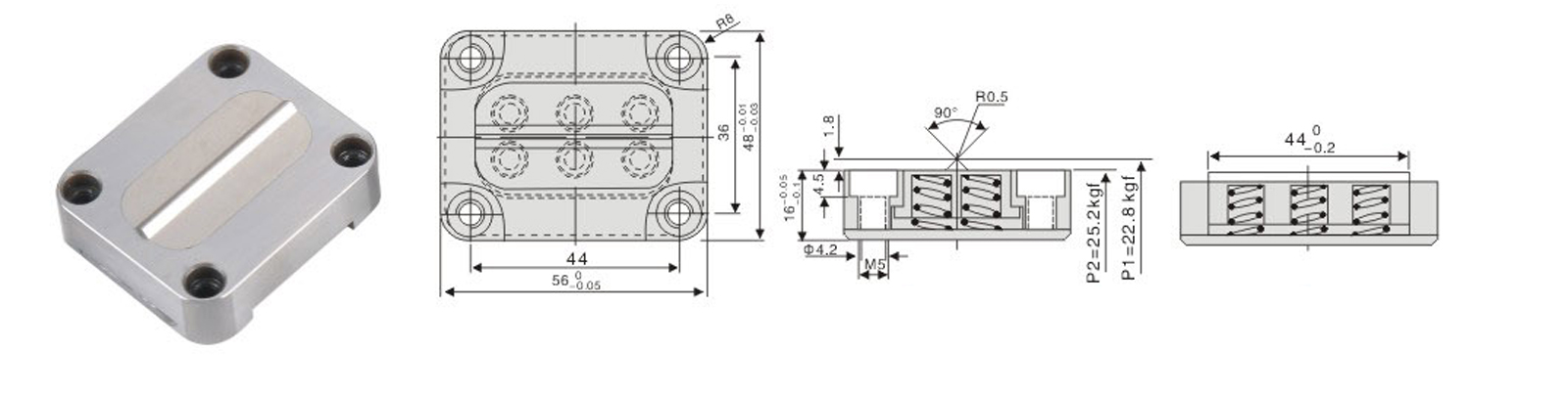
| 荷重 /load P1(kgf) | 荷重 /load P2(kgf) |
|---|---|
| 22.8 | 25.2 |
訂購:97-限位夾 JHN30