
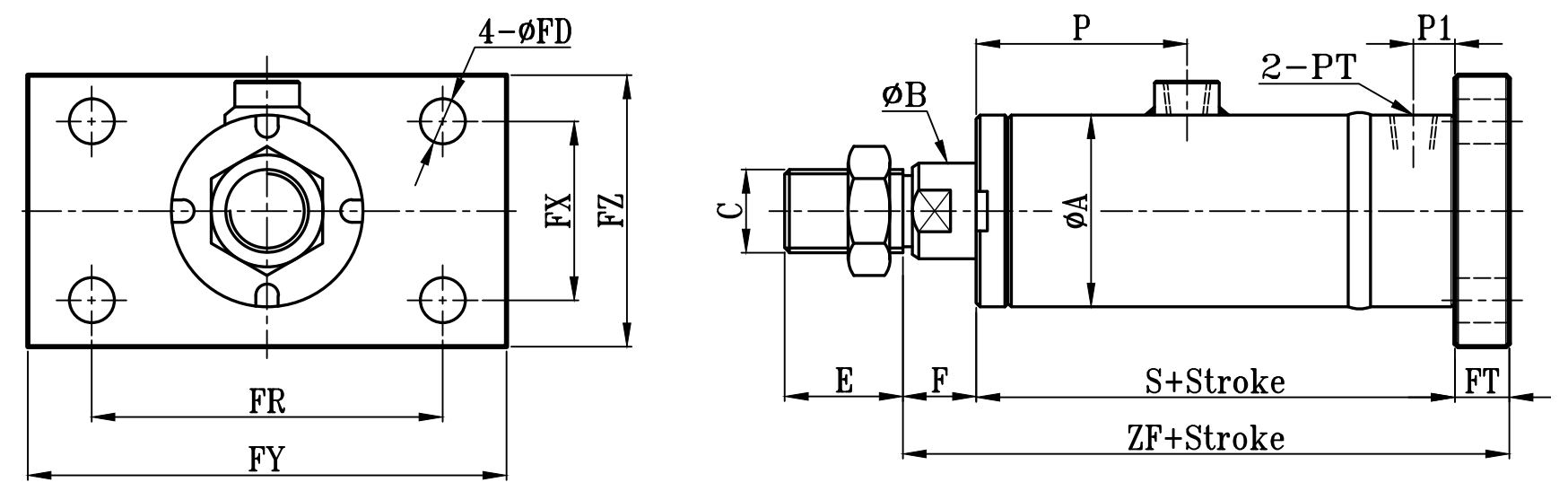
COB:COB+FA(方型) TYPE | 工程圓型中型油壓缸FA、FB板尺寸圖 14Mpa C0 Series FA,FB Dimensional Features |
![]() | |
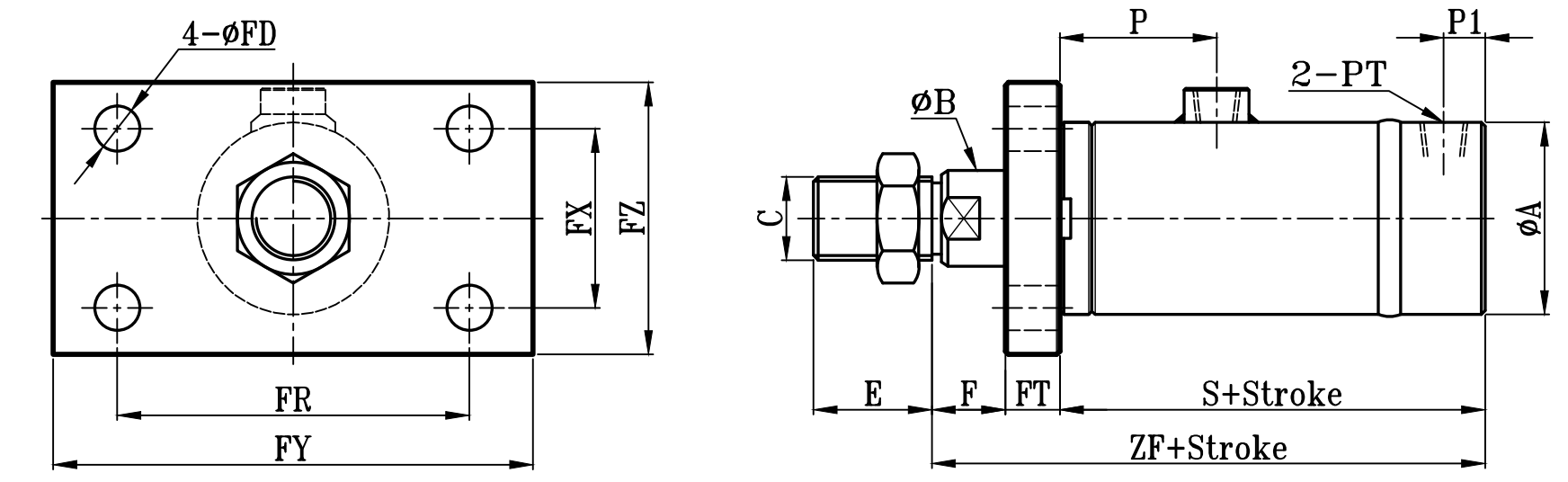
法蘭:FA、FB(圓型共用) TYPE

COB:COB+FB(方型) TYPE

| COA TYPE | FA、FB(方法蘭) | FA、FB(圓法蘭) | ||||||||||||||||||
| 缸徑 BORE | ΦA | ΦB | C | E | F | P | P1 | PT | S | ZF | FT | ΦFD | FR | FX | FY | FZ | Q | ΦR | Φ0 | ΦP |
| Φ40 | 50 | 25 | M22xP1.5 | 30 | 15 | 40 | 13 | 3/8 | 104 | 133 | 14 | 12 | 93 | 50 | 115 | 70 | 4 | 12 | 100 | 75 |
| Φ50 | 60 | 30 | M26xP1.5 | 40 | 20 | 45 | 15 | 3/8 | 119 | 155 | 16 | 14 | 110 | 56 | 135 | 85 | 6 | 12 | 110 | 85 |
| Φ63 | 73 | 35 | M30xP1.5 | 40 | 20 | 50 | 15 | 3/8 | 124 | 160 | 16 | 16 | 126 | 68 | 155 | 95 | 6 | 14 | 130 | 101 |
| Φ80 | 92 | 40 | M30xP1.5 | 45 | 25 | 55 | 18 | 1/2 | 139 | 182 | 18 | 18 | 152 | 75 | 190 | 120 | 6 | 16 | 160 | 127 |
| Φ100 | 114 | 50 | M40xP2.0 | 50 | 25 | 65 | 18 | 1/2 | 159 | 203 | 20 | 20 | 180 | 100 | 220 | 140 | 6 | 18 | 185 | 150 |
| Φ125 | 140 | 60 | M50xP2.0 | 60 | 30 | 70 | 20 | 3/4 | 175 | 229 | 24 | 24 | 222 | 122 | 270 | 170 | 6 | 18 | 215 | 180 |
| Φ140 | 160 | 70 | M60xP2.0 | 70 | 30 | 75 | 20 | 3/4 | 180 | 239 | 29 | 26 | 250 | 145 | 300 | 195 | 6 | 20 | 240 | 205 |
| Φ150 | 168 | 80 | M70xP2.0 | 80 | 30 | 75 | 20 | 3/4 | 195 | 254 | 29 | 29 | 260 | 155 | 315 | 210 | 8 | 20 | 255 | 215 |
| Φ160 | 178 | 80 | M70xP2.0 | 80 | 30 | 75 | 20 | 3/4 | 195 | 254 | 29 | 29 | 270 | 165 | 325 | 220 | 8 | 20 | 270 | 230 |
| Φ180 | 200 | 100 | M90xP2.0 | 100 | 35 | 85 | 25 | 1 | 225 | 294 | 34 | 32 | 315 | 188 | 375 | 250 | 10 | 20 | 290 | 250 |
| Φ200 | 228 | 100 | M90xP2.0 | 100 | 35 | 85 | 25 | 1 | 225 | 299 | 39 | 35 | 355 | 207 | 425 | 275 | 10 | 20 | 315 | 274 |
| Φ220 | 250 | 125 | M100xP3.0 | 110 | 35 | 95 | 29 | 1 1/4 | 260 | 339 | 44 | 38 | 375 | 225 | 450 | 300 | 12 | 22 | 340 | 300 |
| Φ250 | 276 | 125 | M100xP3.0 | 110 | 35 | 95 | 29 | 1 1/4 | 260 | 344 | 49 | 41 | 410 | 250 | 490 | 330 | 12 | 22 | 365 | 325 |
訂購:c0b-fa-fb