
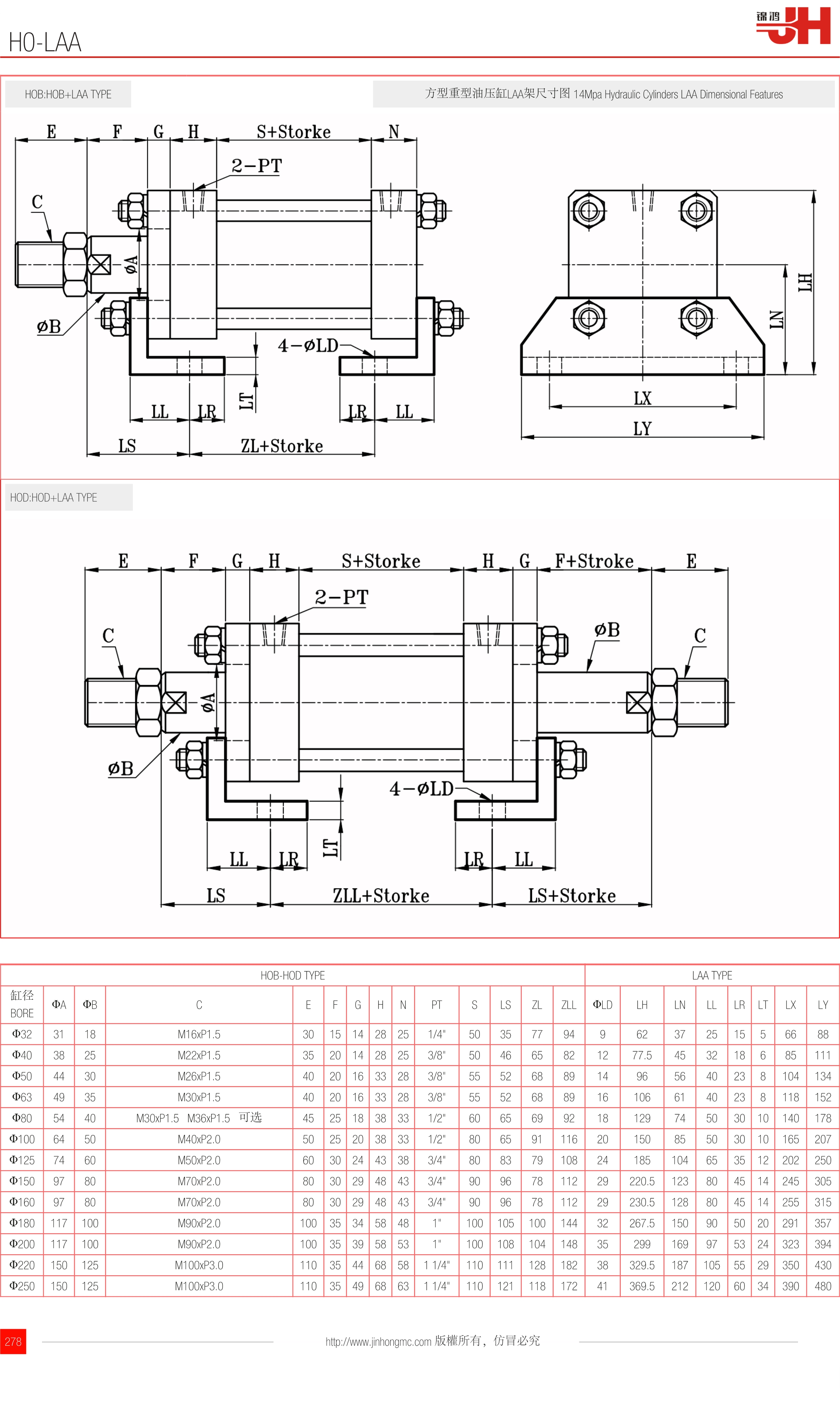
HOB:HOB+LAA TYPE | 方型重型油壓缸LAA架尺寸圖 14Mpa Hydraulic Cylinders LAA Dimensional Features |
![]() | |
HOD:HOD+LAA TYPE

| HOB-HOD TYPE | LAA TYPE | ||||||||||||||||||||
| 缸徑 BORE | ΦA | ΦB | C | E | F | G | H | N | PT | S | LS | ZL | ZLL | ΦLD | LH | LN | LL | LR | LT | LX | LY |
| Φ32 | 31 | 18 | M16xP1.5 | 30 | 15 | 14 | 28 | 25 | 1/4" | 50 | 35 | 77 | 94 | 9 | 62 | 37 | 25 | 15 | 5 | 66 | 88 |
| Φ40 | 38 | 25 | M22xP1.5 | 35 | 20 | 14 | 28 | 25 | 3/8" | 50 | 46 | 65 | 82 | 12 | 77.5 | 45 | 32 | 18 | 6 | 85 | 111 |
| Φ50 | 44 | 30 | M26xP1.5 | 40 | 20 | 16 | 33 | 28 | 3/8" | 55 | 52 | 68 | 89 | 14 | 96 | 56 | 40 | 23 | 8 | 104 | 134 |
| Φ63 | 49 | 35 | M30xP1.5 | 40 | 20 | 16 | 33 | 28 | 3/8" | 55 | 52 | 68 | 89 | 16 | 106 | 61 | 40 | 23 | 8 | 118 | 152 |
| Φ80 | 54 | 40 | M30xP1.5 M36xP1.5 可選 | 45 | 25 | 18 | 38 | 33 | 1/2" | 60 | 65 | 69 | 92 | 18 | 129 | 74 | 50 | 30 | 10 | 140 | 178 |
| Φ100 | 64 | 50 | M40xP2.0 | 50 | 25 | 20 | 38 | 33 | 1/2" | 80 | 65 | 91 | 116 | 20 | 150 | 85 | 50 | 30 | 10 | 165 | 207 |
| Φ125 | 74 | 60 | M50xP2.0 | 60 | 30 | 24 | 43 | 38 | 3/4" | 80 | 83 | 79 | 108 | 24 | 185 | 104 | 65 | 35 | 12 | 202 | 250 |
| Φ150 | 97 | 80 | M70xP2.0 | 80 | 30 | 29 | 48 | 43 | 3/4" | 90 | 96 | 78 | 112 | 29 | 220.5 | 123 | 80 | 45 | 14 | 245 | 305 |
| Φ160 | 97 | 80 | M70xP2.0 | 80 | 30 | 29 | 48 | 43 | 3/4" | 90 | 96 | 78 | 112 | 29 | 230.5 | 128 | 80 | 45 | 14 | 255 | 315 |
| Φ180 | 117 | 100 | M90xP2.0 | 100 | 35 | 34 | 58 | 48 | 1" | 100 | 105 | 100 | 144 | 32 | 267.5 | 150 | 90 | 50 | 20 | 291 | 357 |
| Φ200 | 117 | 100 | M90xP2.0 | 100 | 35 | 39 | 58 | 53 | 1" | 100 | 108 | 104 | 148 | 35 | 299 | 169 | 97 | 53 | 24 | 323 | 394 |
| Φ220 | 150 | 125 | M100xP3.0 | 110 | 35 | 44 | 68 | 58 | 1 1/4" | 110 | 111 | 128 | 182 | 38 | 329.5 | 187 | 105 | 55 | 29 | 350 | 430 |
| Φ250 | 150 | 125 | M100xP3.0 | 110 | 35 | 49 | 68 | 63 | 1 1/4" | 110 | 121 | 118 | 172 | 41 | 369.5 | 212 | 120 | 60 | 34 | 390 | 480 |
訂購:h0-laa