
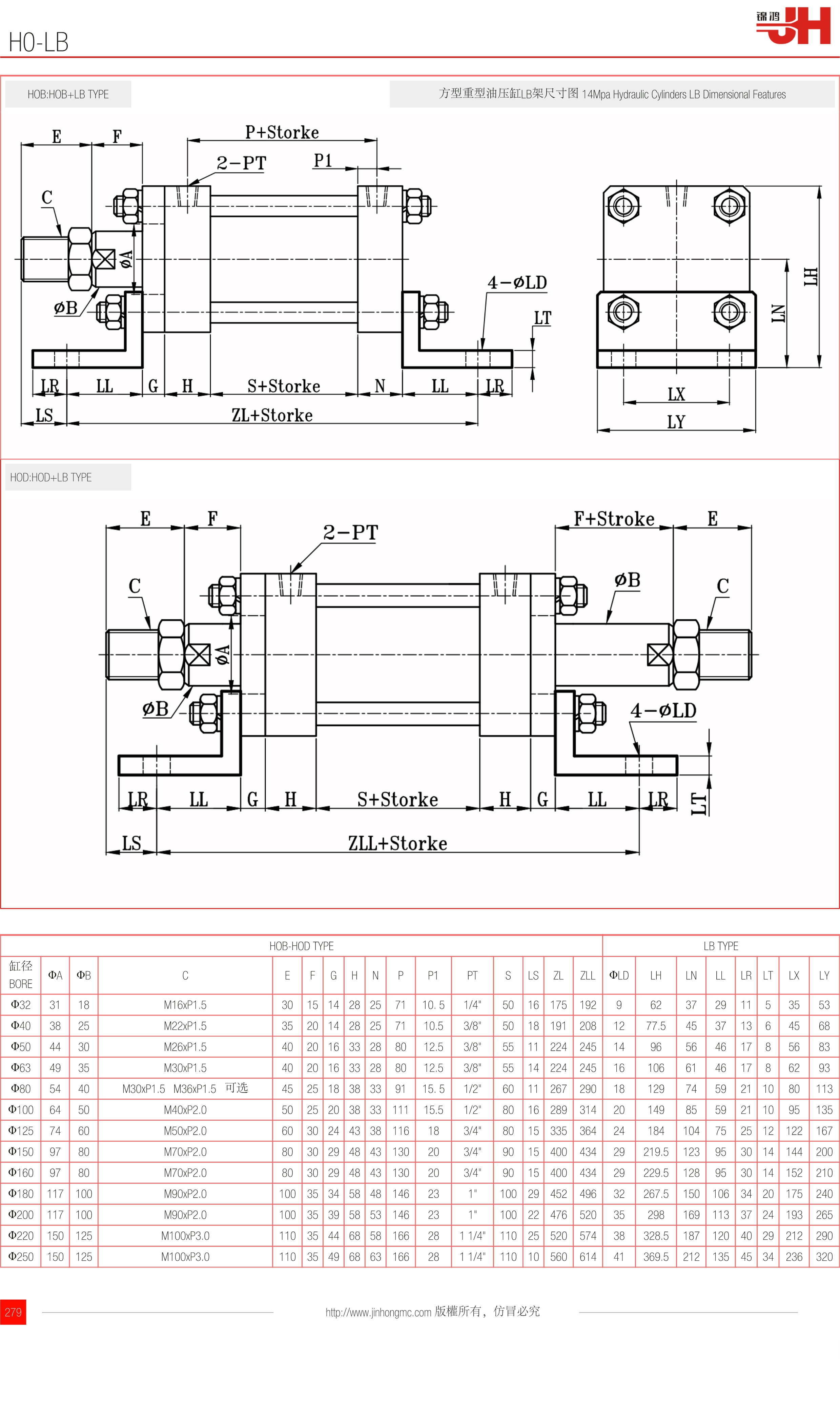
HOB:HOB+LB TYPE | 方型重型油壓缸LB架尺寸圖 14Mpa Hydraulic Cylinders LB Dimensional Features |
![]() | |
HOD:HOD+LB TYPE

| HOB-HOD TYPE | LB TYPE | ||||||||||||||||||||||
| 缸徑 BORE | ΦA | ΦB | C | E | F | G | H | N | P | P1 | PT | S | LS | ZL | ZLL | ΦLD | LH | LN | LL | LR | LT | LX | LY |
| Φ32 | 31 | 18 | M16xP1.5 | 30 | 15 | 14 | 28 | 25 | 71 | 10. 5 | 1/4" | 50 | 16 | 175 | 192 | 9 | 62 | 37 | 29 | 11 | 5 | 35 | 53 |
| Φ40 | 38 | 25 | M22xP1.5 | 35 | 20 | 14 | 28 | 25 | 71 | 10.5 | 3/8" | 50 | 18 | 191 | 208 | 12 | 77.5 | 45 | 37 | 13 | 6 | 45 | 68 |
| Φ50 | 44 | 30 | M26xP1.5 | 40 | 20 | 16 | 33 | 28 | 80 | 12.5 | 3/8" | 55 | 11 | 224 | 245 | 14 | 96 | 56 | 46 | 17 | 8 | 56 | 83 |
| Φ63 | 49 | 35 | M30xP1.5 | 40 | 20 | 16 | 33 | 28 | 80 | 12.5 | 3/8" | 55 | 14 | 224 | 245 | 16 | 106 | 61 | 46 | 17 | 8 | 62 | 93 |
| Φ80 | 54 | 40 | M30xP1.5 M36xP1.5 可選 | 45 | 25 | 18 | 38 | 33 | 91 | 15. 5 | 1/2" | 60 | 11 | 267 | 290 | 18 | 129 | 74 | 59 | 21 | 10 | 80 | 113 |
| Φ100 | 64 | 50 | M40xP2.0 | 50 | 25 | 20 | 38 | 33 | 111 | 15.5 | 1/2" | 80 | 16 | 289 | 314 | 20 | 149 | 85 | 59 | 21 | 10 | 95 | 135 |
| Φ125 | 74 | 60 | M50xP2.0 | 60 | 30 | 24 | 43 | 38 | 116 | 18 | 3/4" | 80 | 15 | 335 | 364 | 24 | 184 | 104 | 75 | 25 | 12 | 122 | 167 |
| Φ150 | 97 | 80 | M70xP2.0 | 80 | 30 | 29 | 48 | 43 | 130 | 20 | 3/4" | 90 | 15 | 400 | 434 | 29 | 219.5 | 123 | 95 | 30 | 14 | 144 | 200 |
| Φ160 | 97 | 80 | M70xP2.0 | 80 | 30 | 29 | 48 | 43 | 130 | 20 | 3/4" | 90 | 15 | 400 | 434 | 29 | 229.5 | 128 | 95 | 30 | 14 | 152 | 210 |
| Φ180 | 117 | 100 | M90xP2.0 | 100 | 35 | 34 | 58 | 48 | 146 | 23 | 1" | 100 | 29 | 452 | 496 | 32 | 267.5 | 150 | 106 | 34 | 20 | 175 | 240 |
| Φ200 | 117 | 100 | M90xP2.0 | 100 | 35 | 39 | 58 | 53 | 146 | 23 | 1" | 100 | 22 | 476 | 520 | 35 | 298 | 169 | 113 | 37 | 24 | 193 | 265 |
| Φ220 | 150 | 125 | M100xP3.0 | 110 | 35 | 44 | 68 | 58 | 166 | 28 | 1 1/4" | 110 | 25 | 520 | 574 | 38 | 328.5 | 187 | 120 | 40 | 29 | 212 | 290 |
| Φ250 | 150 | 125 | M100xP3.0 | 110 | 35 | 49 | 68 | 63 | 166 | 28 | 1 1/4" | 110 | 10 | 560 | 614 | 41 | 369.5 | 212 | 135 | 45 | 34 | 236 | 320 |
訂購:h0-lb