
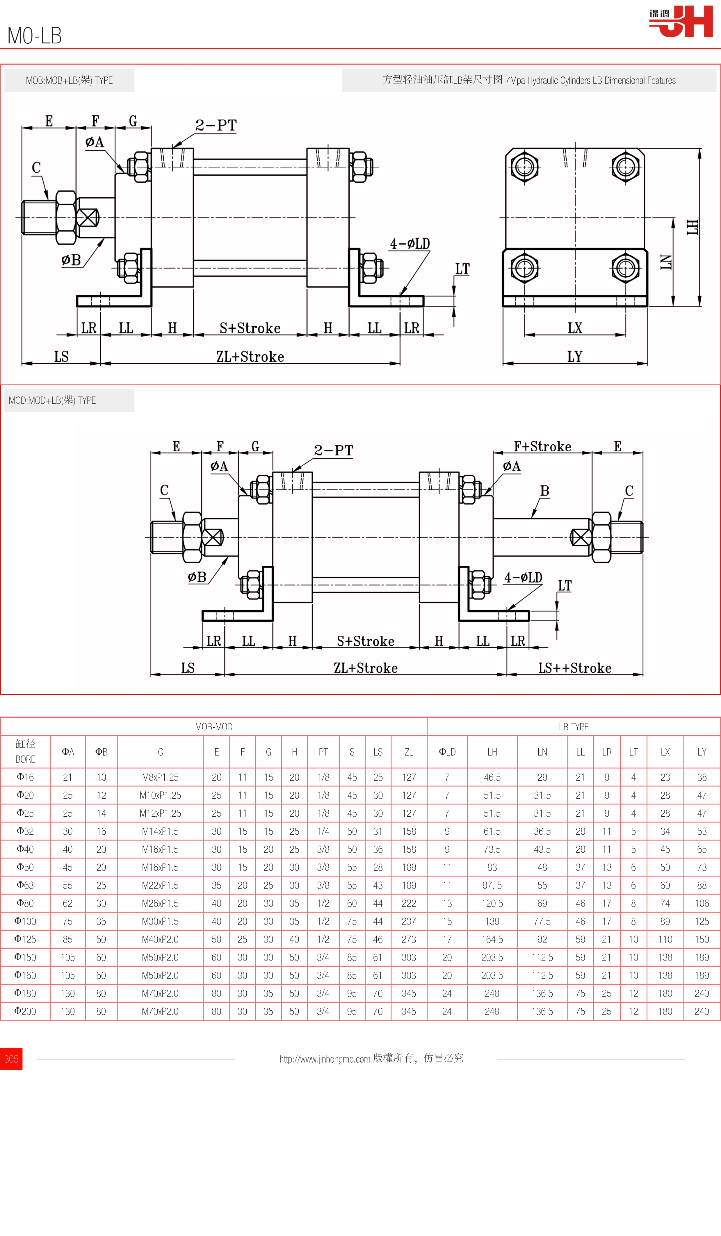
MOB:MOB+LB(架) TYPE | 方型輕油油壓缸LB架尺寸圖 7Mpa Hydraulic Cylinders LB Dimensional Features |
![]() | |
MOD:MOD+LB(架) TYPE

| MOB-MOD | LB TYPE | ||||||||||||||||||
| 缸徑 BORE | ΦA | ΦB | C | E | F | G | H | PT | S | LS | ZL | ΦLD | LH | LN | LL | LR | LT | LX | LY |
| Φ16 | 21 | 10 | M8xP1.25 | 20 | 11 | 15 | 20 | 1/8 | 45 | 25 | 127 | 7 | 46.5 | 29 | 21 | 9 | 4 | 23 | 38 |
| Φ20 | 25 | 12 | M10xP1.25 | 25 | 11 | 15 | 20 | 1/8 | 45 | 30 | 127 | 7 | 51.5 | 31.5 | 21 | 9 | 4 | 28 | 47 |
| Φ25 | 25 | 14 | M12xP1.25 | 25 | 11 | 15 | 20 | 1/8 | 45 | 30 | 127 | 7 | 51.5 | 31.5 | 21 | 9 | 4 | 28 | 47 |
| Φ32 | 30 | 16 | M14xP1.5 | 30 | 15 | 15 | 25 | 1/4 | 50 | 31 | 158 | 9 | 61.5 | 36.5 | 29 | 11 | 5 | 34 | 53 |
| Φ40 | 40 | 20 | M16xP1.5 | 30 | 15 | 20 | 25 | 3/8 | 50 | 36 | 158 | 9 | 73.5 | 43.5 | 29 | 11 | 5 | 45 | 65 |
| Φ50 | 45 | 20 | M16xP1.5 | 30 | 15 | 20 | 30 | 3/8 | 55 | 28 | 189 | 11 | 83 | 48 | 37 | 13 | 6 | 50 | 73 |
| Φ63 | 55 | 25 | M22xP1.5 | 35 | 20 | 25 | 30 | 3/8 | 55 | 43 | 189 | 11 | 97. 5 | 55 | 37 | 13 | 6 | 60 | 88 |
| Φ80 | 62 | 30 | M26xP1.5 | 40 | 20 | 30 | 35 | 1/2 | 60 | 44 | 222 | 13 | 120.5 | 69 | 46 | 17 | 8 | 74 | 106 |
| Φ100 | 75 | 35 | M30xP1.5 | 40 | 20 | 30 | 35 | 1/2 | 75 | 44 | 237 | 15 | 139 | 77.5 | 46 | 17 | 8 | 89 | 125 |
| Φ125 | 85 | 50 | M40xP2.0 | 50 | 25 | 30 | 40 | 1/2 | 75 | 46 | 273 | 17 | 164.5 | 92 | 59 | 21 | 10 | 110 | 150 |
| Φ150 | 105 | 60 | M50xP2.0 | 60 | 30 | 30 | 50 | 3/4 | 85 | 61 | 303 | 20 | 203.5 | 112.5 | 59 | 21 | 10 | 138 | 189 |
| Φ160 | 105 | 60 | M50xP2.0 | 60 | 30 | 30 | 50 | 3/4 | 85 | 61 | 303 | 20 | 203.5 | 112.5 | 59 | 21 | 10 | 138 | 189 |
| Φ180 | 130 | 80 | M70xP2.0 | 80 | 30 | 35 | 50 | 3/4 | 95 | 70 | 345 | 24 | 248 | 136.5 | 75 | 25 | 12 | 180 | 240 |
| Φ200 | 130 | 80 | M70xP2.0 | 80 | 30 | 35 | 50 | 3/4 | 95 | 70 | 345 | 24 | 248 | 136.5 | 75 | 25 | 12 | 180 | 240 |
訂購:m0-lb