
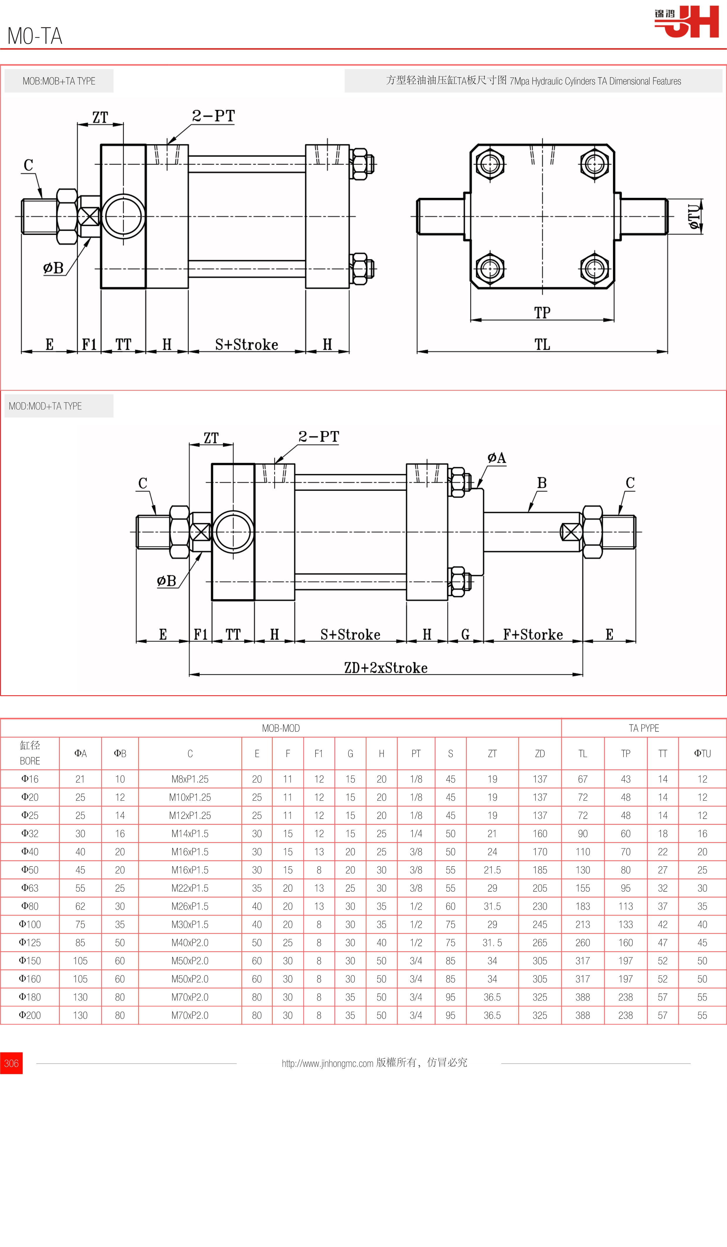
MOB:MOB+TA TYPE | 方型輕油油壓缸TA板尺寸圖 7Mpa Hydraulic Cylinders TA Dimensional Features |
![]() | |
MOD:MOD+TA TYPE

| MOB-MOD | TA PYPE | |||||||||||||||
| 缸徑 BORE | ΦA(chǔ) | ΦB | C | E | F | F1 | G | H | PT | S | ZT | ZD | TL | TP | TT | ΦTU |
| Φ16 | 21 | 10 | M8xP1.25 | 20 | 11 | 12 | 15 | 20 | 1/8 | 45 | 19 | 137 | 67 | 43 | 14 | 12 |
| Φ20 | 25 | 12 | M10xP1.25 | 25 | 11 | 12 | 15 | 20 | 1/8 | 45 | 19 | 137 | 72 | 48 | 14 | 12 |
| Φ25 | 25 | 14 | M12xP1.25 | 25 | 11 | 12 | 15 | 20 | 1/8 | 45 | 19 | 137 | 72 | 48 | 14 | 12 |
| Φ32 | 30 | 16 | M14xP1.5 | 30 | 15 | 12 | 15 | 25 | 1/4 | 50 | 21 | 160 | 90 | 60 | 18 | 16 |
| Φ40 | 40 | 20 | M16xP1.5 | 30 | 15 | 13 | 20 | 25 | 3/8 | 50 | 24 | 170 | 110 | 70 | 22 | 20 |
| Φ50 | 45 | 20 | M16xP1.5 | 30 | 15 | 8 | 20 | 30 | 3/8 | 55 | 21.5 | 185 | 130 | 80 | 27 | 25 |
| Φ63 | 55 | 25 | M22xP1.5 | 35 | 20 | 13 | 25 | 30 | 3/8 | 55 | 29 | 205 | 155 | 95 | 32 | 30 |
| Φ80 | 62 | 30 | M26xP1.5 | 40 | 20 | 13 | 30 | 35 | 1/2 | 60 | 31.5 | 230 | 183 | 113 | 37 | 35 |
| Φ100 | 75 | 35 | M30xP1.5 | 40 | 20 | 8 | 30 | 35 | 1/2 | 75 | 29 | 245 | 213 | 133 | 42 | 40 |
| Φ125 | 85 | 50 | M40xP2.0 | 50 | 25 | 8 | 30 | 40 | 1/2 | 75 | 31. 5 | 265 | 260 | 160 | 47 | 45 |
| Φ150 | 105 | 60 | M50xP2.0 | 60 | 30 | 8 | 30 | 50 | 3/4 | 85 | 34 | 305 | 317 | 197 | 52 | 50 |
| Φ160 | 105 | 60 | M50xP2.0 | 60 | 30 | 8 | 30 | 50 | 3/4 | 85 | 34 | 305 | 317 | 197 | 52 | 50 |
| Φ180 | 130 | 80 | M70xP2.0 | 80 | 30 | 8 | 35 | 50 | 3/4 | 95 | 36.5 | 325 | 388 | 238 | 57 | 55 |
| Φ200 | 130 | 80 | M70xP2.0 | 80 | 30 | 8 | 35 | 50 | 3/4 | 95 | 36.5 | 325 | 388 | 238 | 57 | 55 |
訂購:m0-ta